Cam-Set

The Cam-Set (Model 81 FC) is a swing type of quick acting line blind. It has a three bolt design and a triangular body. It is appropriate for applications that require fast blinding turnaround and that do not exceed 1500# pressure class. It can be made as a standard design up to 48 inches (DN 1200).

128

20 inch line blind with Counterweight

Cam-Set Operation

Thanks to its revolutionary Cam design the spectacle plate can be locked into place or released in seconds. The plate can then be rotated or swung from left to right with ease. For larger size lines 12 inches and above the Cam-Set can be equipped with a counterweight, making plate position changing even easier.

PDFQuote Request

Purpose

The primary Purpose of a swinging line blind is to completely close off the downstream portion of a pipeline in a quick and safe manner. Generic uses are:

  • To guarantee safe operating conditions for maintenance procedures
  • To enable quick line shut down in emergency circumstances
  • To help prevent product cross contaminations in tank farms or ocean going tankers
  • To avoid pollution due to valve leakage

Features

  • Man Safe – 100% positive isolation24 inch Cam-set with Counterweight
  • Can be operated in less than 30 seconds
  • Available in sizes up to 48 inches and ASME 1500#
  • Non line spreading design
  • Seals not affected by piping misalignment
  • Simple operation – one person, one side, no bolts need to be removed
  • Conforms to or exceeds many safety and engineering standards
SONY DSC

Options

  • A broad range of sealing rings to match the specific medium and operating conditions including the most common – Viton, Kalrez, Aflas, EPR/EPDM, Kal-F etc.
  • Stem and dust covers for powder applications or dusty operating environments
  • Lock out devices
  • Pneumatic or manual actuation
  • Filter, rupture disc or sieve integration in the spectacle plate
  • Drain, vent and purge connections
  • Special anti corrosive or medium driven coatings or linings (such as Sermetal, Epoxy, PFA or ceramics)
  • Reinforced designs for challenging operating environments

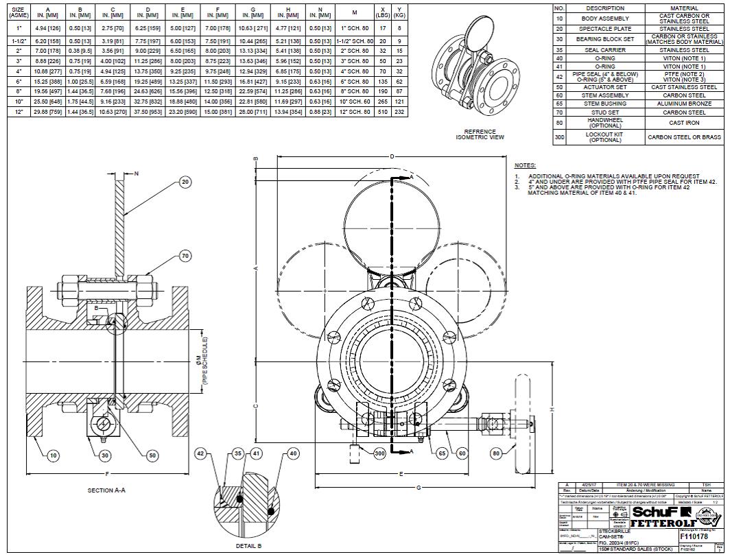
Dimensions

The below dimensions are for the standard Cam-Set sizes:

7f397129367e7b6f79da747014023623

Standards

F8078183221950b20f241b53c7f86d81

Custom Industrial Valves For Severe Services

Fetterolf designs and manufactures a broad range of industrial valves to meet your specific operating, media or process requirements.
We also customise valves for severe service conditions or non standard applications.

Applications Representatives